Клапан перекидной взрывозащищенный АЗЕ-105.000-00 150х150
Клапан перекидной взрывозащищенный АЗЕ 105 серия 5.904-58, предназначен для автоматического подключения в вентиляционную сеть резервного вентилятора при остановке рабочего. Допускается для применения в вентиляционных системах, перемещающих взрывоопасные газо-паровоздушные смеси всех групп по классификации ГОСТ 12.011- 78 и может устанавливаться во взрывоопасных зонах помещений классов В-1, В-1а и В-1б.
Характеристики:
-
Размеры сечения
150х150 мм
-
Материал изготовления
углеродистая сталь
-
Окраска
в любой цвет RAL
-
Типовая серия
5.904-58
-
Подробные характеристики
-
Доставка и оплата
Назначение
Клапаны обратные во взрывозащищенном исполнении, применительно к типовой серии 5.904-58 A3E 100.000; АЗЕ 101.000; АЗЕ 103.000; АЗЕ 104.000; АЗ 105.000, предназначены для применения в вентиляционных системах взрывоопасных производств.
Область применения
Взрывоопасные зоны класса 1 и 2 помещений и наружных установок, в которых могут образовываться смеси, отнесенные к подгруппам IIА, IIВ, IIС, в соответствии с указанной маркировкой взрывозащиты, согласно требованиям ГОСТ ЕС 60079-14-2011 и отраслевых правил безопасности и другими нормативными документами, регламентирующими применения оборудования во взрывоопасных зонах.
Условия эксплуатации
В соответствии с требованиями СНиП 41-01-2003 клапаны применяются в вентиляционных системах с давлением 1500 Па и скорости перемещения воздушной смеси 4-20 v/c.
Клапаны не допускается применять в системах, в которых перемещаются среды с агрессивностью по отношению к углеродистым сталям обыкновенного качества выше агрессивности воздуха, запыленностью более 100 мг/мз, содержащие взрывчатые вещества, взрывоопасную пыль, липкие и волокнистые материалы, а также для перемещения паро-газовоздушных смесей от технологических установок, в которых взрывоопасные вещества нагреваются выше температуры их самовоспламенения или находятся под избыточным давлением. Температура перемещаемой среды не более +100°С. Перемещаемые смеси не должны содержать взрывчатых веществ и не коррозировать металлы, из которых изготовлен клапан.
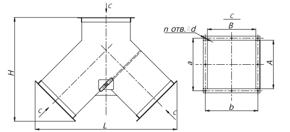
Габаритные размеры
| Клапан | Размеры, мм | n, шт. | Масса, кг | |||||
| A х В | a | b | H | L | d | |||
| АЗЕ 105.000-00 | 150х150 | 180 | 180 | 293 | 391 | 8 | 8 | 9.0 |
| АЗЕ 105.000-01 | 250х250 | 280 | 280 | 398 | 552 | 8 | 8 | 15 |
| АЗЕ 105.000-02 | 300х250 | 330 | 330 | 398 | 552 | 8 | 10 | 17 |
| АЗЕ 105.000-03 | 400х400 | 430 | 430 | 571 | 763 | 8 | 12 | 27.май |
| АЗЕ 105.000-04 | 500х500 | 530 | 530 | 677 | 904 | 8 | 16 | 36 |
| АЗЕ 105.000-05 | 600х600 | 630 | 630 | 812 | 1064 | 10 | 20 | 52.5 |
| АЗЕ 105.000-06 | 800х800 | 830 | 830 | 1073 | 1336 | 10 | 20 | 80.5 |
| АЗЕ 105.000-07 | 1000х1000 | 1040 | 1040 | 1334 | 1607 | 10 | 24 | 116 |
Способы доставки
- Деловые линии
- ПЭК
- СДЭК
- Желдорэкспедиция
- КИТ
- БАЙКАЛ СЕРВИС
- DPD и другие транспортные компании.
- Выделенный транспорт
- Самовывоз со склада производства в г. Казань (по всем товарным группам, кроме товарной группы "Элементы автоматики").
- Самовывоз со склада в г. Москва (товарная группа "Элементы автоматики", товарная группа "Электроприводы")
ВАЖНО: Каждая единица оборудования, отправляемая с помощью транспортных компаний, застрахована от возможных повреждений. Пожалуйста, внимательно осмотрите упаковку и оборудование при получении товара. Если вы заметите какие-либо внешние повреждения, такие как вмятины, сколы, нарушение геометрии и т.д., незамедлительно свяжитесь с нашими менеджерами, до приемки груза в ТК.
Способы оплаты
- Оплата через расчетный счет (р/с) для юридических лиц, ИП
- Оплата картой через терминал
- Оплата товаров на маркетплейсах Ozon, Wildberries, Яндекс.Маркет
Требуется расчёт стоимости оборудования?
Приложите спецификацию, и мы вышлем Вам коммерческое предложение
Заполните форму

