Узел прохода, с утепленным клапаном под электропривод, с кольцом для сбора конденсата УП 5-12 Ø250 мм
Узел прохода — это часть вентиляционной системы, которая обеспечивает проход воздушно-газовой смеси через крышу. Он состоит из участка воздуховода, на котором установлено специальное опорное кольцо для крепления к несущим конструкциям здания. Узел прохода выполнен из чёрного металла и окрашен порошковой краской для защиты от коррозии. Изготавливается по серии 5.904-45.
Характеристики:
-
Материал изготовления
углеродистая сталь
-
Окраска
в любой цвет RAL
-
Соединительный диаметр
Ø250 мм
-
Тип соединения
фланец
-
Подробные характеристики
-
Доставка и оплата
- УП1 — Узел прохода без клапана и без кольца для сбора конденсата
- УП2 — Узел прохода с клапаном, с ручным управлением, с кольцом и без кольца для сбора конденсата
- УПЗ — Узел прохода с клапаном, управляемым исполнительным механизмом, с кольцом и без кольца для сбора конденсата
- УП4 — Узел прохода утепленный с клапаном, с ручным управлением, с кольцом и без кольца для сбора конденсата
- УП5 — Узел прохода утепленный с клапаном, управляемым исполнительным механизмом, с кольцом и без кольца для сбора конденсата.
- УП6 — Узел прохода взрывозащищенный (искрозащищенный), неутепленный, с клапаном под ручной привод заслонки.
- УП7 — Узел прохода взрывозащищенный (искрозащищенный), утепленный, с клапаном под ручной привод заслонки.
Назначение
Узел прохода — это часть вентиляционной системы, которая обеспечивает проход воздушно-газовой смеси через крышу. Он состоит из участка воздуховода, на котором установлено специальное опорное кольцо для крепления к несущим конструкциям здания.
Узлы прохода выполняют важные функции: они позволяют вентиляционному каналу выйти наружу, надёжно фиксируют его и герметизируют выходное отверстие. В зависимости от конструкции здания, они могут крепиться к специальным железобетонным стаканам с помощью анкерного соединения или непосредственно к крыше.
С внутренней стороны узла подключается воздуховод. Снаружи, как правило, устанавливается вентиляционный зонт или дефлектор. Они предотвращают попадание осадков и посторонних предметов в систему вентиляции.
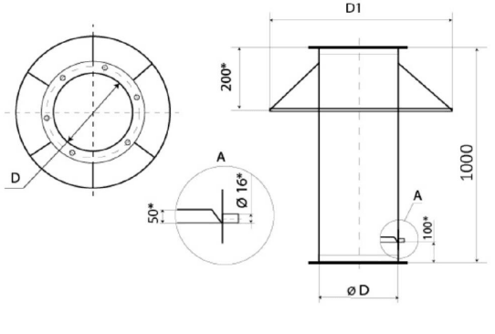
Конструкция
Стандартный узел прохода состоит из патрубка и опорного кольца или фланца. Диаметр фланца больше диаметра воздуховода на 300–400 мм. Обычно фланец располагается перпендикулярно оси патрубка, но бывают и узлы с наклонным опорным кольцом.
Чтобы конструкция была более прочной, между патрубком и опорным фланцем устанавливают металлические пластины — рёбра жёсткости. Если на внутреннем участке узла возможно выпадение влаги из-за разницы температур, его оснащают кольцом для сбора и отведения конденсата. Также узел может быть оборудован ручным или механизированным клапаном для закрытия вентиляционного канала.
Варианты исполнения
Схема узлов прохода
без кольца для сбора конденсата
с кольцом для сбора конденсата
Размеры и масса узлов прохода
Способы доставки
- Деловые линии
- ПЭК
- СДЭК
- Желдорэкспедиция
- КИТ
- БАЙКАЛ СЕРВИС
- DPD и другие транспортные компании.
- Выделенный транспорт
- Самовывоз со склада производства в г. Казань (по всем товарным группам, кроме товарной группы "Элементы автоматики").
- Самовывоз со склада в г. Москва (товарная группа "Элементы автоматики", товарная группа "Электроприводы")
ВАЖНО: Каждая единица оборудования, отправляемая с помощью транспортных компаний, застрахована от возможных повреждений. Пожалуйста, внимательно осмотрите упаковку и оборудование при получении товара. Если вы заметите какие-либо внешние повреждения, такие как вмятины, сколы, нарушение геометрии и т.д., незамедлительно свяжитесь с нашими менеджерами, до приемки груза в ТК.
Способы оплаты
- Оплата через расчетный счет (р/с) для юридических лиц, ИП
- Оплата картой через терминал
- Оплата товаров на маркетплейсах Ozon, Wildberries, Яндекс.Маркет
Требуется расчёт стоимости оборудования?
Приложите спецификацию, и мы вышлем Вам коммерческое предложение
Заполните форму







