burger
info@vpsv.ru

Написать

  • telegram
  • whatsapp

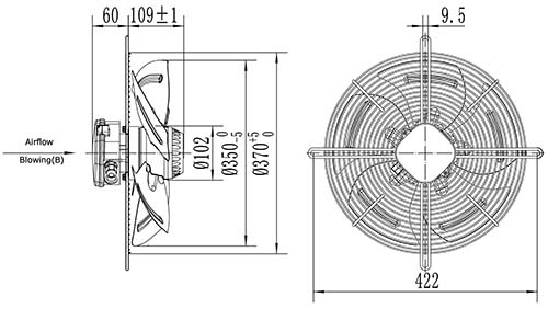
Вентилятор осевой YWF4E-350B-102/34-G нагнетающий на плоской сетке 2300 м3/час

Осевые вентиляторы YWF — компактные, малошумные вентиляторы, с лопастями из углеродистой стали с полимерным покрытием. Удобны в монтаже, могут устанавливаться в любом положении, ресурс не менее 40000 часов. Выпускаются в различных модификациях — с защитной сеткой, с фланцами, с настенной панелью. Используются для охлаждения наружных блоков кондиционеров, чиллеров, панелей теплообменных аппаратов, для вентиляции помещений.

Характеристики:

  • Тип

    вентилятор осевой

  • Производительность

    2300 м³/час

  • Частота вращения

    1400 об/мин

  • Рабочее напряжение

    220В

  • Мощность

    129 Вт

Стоимость: По запросу
decordecor
  • Подробные характеристики

  • Доставка и оплата

    Вентиляторы серии YWF имеют электродвигатели с внешним ротором. Вентиляторы оснащены крыльчаткой с серповидными лопастями, которая имеет динамическую балансировку в двух плоскостях для достижения минимального уровня шума.

    Вентиляторы данной серии легко монтируются в стеновые проемы или другие несущие конструкции. Могут использоваться для отвода тепла или обдува различных технологических установок и оборудования.

    Стандартное направление вращения лопастей вентиляторов YWF — против часовой стрелки, если смотреть на ротор — всасывание, направление вращения лопастей по часовой стрелке — нагнетание.

     

    Давление max, Па
    140
    Конденсатор, pf/VDB
    4
    Масса, кг
    5.0
    Мощность, Вт
    129
    Направление потока
    B
    Напряжение, В
    220
    Производительность max, м³/ч
    2300
    Сила тока, А
    0.65
    Скорость, rpm
    1400
    Уровень шума, dB(A)
    64

     

Способы доставки

 

                                       

 
  1. Деловые линии
  2. ПЭК
  3. СДЭК
  4. Желдорэкспедиция
  5. КИТ
  6. БАЙКАЛ СЕРВИС
  7. DPD  и другие транспортные компании.
  8. Выделенный транспорт
  9. Самовывоз со склада производства в г. Казань (по всем товарным группам, кроме товарной группы "Элементы автоматики").
  10. Самовывоз со склада в г. Москва (товарная группа "Элементы автоматики", товарная группа "Электроприводы")
Доставка до терминала ТК в городе отправки согласовывается с менеджером.

ВАЖНО: Каждая единица оборудования, отправляемая с помощью транспортных компаний, застрахована от возможных повреждений. Пожалуйста, внимательно осмотрите упаковку и оборудование при получении товара. Если вы заметите какие-либо внешние повреждения, такие как вмятины, сколы, нарушение геометрии и т.д., незамедлительно свяжитесь с нашими менеджерами, до приемки груза в ТК.

Способы оплаты

  1. Оплата через расчетный счет (р/с) для юридических лиц, ИП
  2. Оплата картой через терминал
  3. Оплата товаров на маркетплейсах Ozon, Wildberries, Яндекс.Маркет

С этим товаром покупают

  • Клапан избыточного давления КИД EI120 800х200

  • Клапан противопожарный взрывозащищенный СВТ-ВЗ, EI120, 1100х800 мм

  • Шумоглушитель пластинчатый прямоугольный 2000х400/500 мм

  • Шумоглушитель трубчатый прямоугольный 1350х700/1000 мм

  • Шумоглушитель трубчатый прямоугольный 1350х800/500 мм

  • Клапан воздушный утепленный КВУ 850х400

  • Решетка регулируемая РВ-2 1200х350

  • Решетка инерционная РНИ 1350х550

  • Клапан воздушный универсальный КОРСАР 1600х650 мм

  • Клапан низкотемпературный ТОПАЗ-П 1000х600 мм

  • Фасадная вентиляционная решётка 700х100

  • Клапан воздушный взрывозащищённый КВ 1000х950 мм

  • Компенсатор линейных расширений КЛР 1500х300 EI 120

  • Клапан воздушный утепленный КВУ 1400х600

  • Решетка декоративная РКДМ 650х350

  • Клапан обратный лепестковый ЛОТОС 1150х350 мм

  • Шумоглушитель трубчатый прямоугольный 850х550/1000 мм

  • Решетка инерционная РНИ 1800х500

  • Клапан избыточного давления КИД EI120 1250х600

  • Клапан воздушный сейсмостойкий НЕРКА 750х300 мм

  • Вентилятор осевой ВО 220-3,15

  • Клапан воздушный алюминиевый АВК 1350х750

  • Решетка объемная накладная РОН 120 750х500

  • Дроссель-клапан 1300х450 мм

  • Шумоглушитель трубчатый прямоугольный 700х700/500 мм

  • Клапан противопожарный СВТ-ПО, нормально-открытый, EI90, 1700х500

  • Решетка инерционная РНИ 250х100

  • Клапан балансировочный МОЛОТ 1050х700 мм

  • Решетка регулируемая РВ-1 450х150

  • Регулируемая решетка-клапан РК 1200х500

decor img

Требуется расчёт стоимости оборудования?

Приложите спецификацию, и мы вышлем Вам коммерческое предложение

decor img

Заполните форму

    Отправляя заявку вы соглашаетесь с политикой обработки персональных данных

    bg