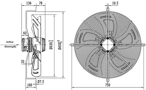
Вентилятор осевой YWF4E-630B-137/70-G нагнетающий на сетке 10500 м3/час
Осевые вентиляторы YWF — компактные, малошумные вентиляторы, с лопастями из углеродистой стали с полимерным покрытием. Удобны в монтаже, могут устанавливаться в любом положении, ресурс не менее 40000 часов. Выпускаются в различных модификациях — с защитной сеткой, с фланцами, с настенной панелью. Используются для охлаждения наружных блоков кондиционеров, чиллеров, панелей теплообменных аппаратов, для вентиляции помещений.
Характеристики:
-
Тип
вентилятор осевой
-
Производительность
10500 м³/час
-
Частота вращения
1360 об/мин
-
Рабочее напряжение
220В
-
Мощность
750 Вт
-
Подробные характеристики
-
Доставка и оплата
Вентиляторы серии YWF имеют электродвигатели с внешним ротором. Вентиляторы оснащены крыльчаткой с серповидными лопастями, которая имеет динамическую балансировку в двух плоскостях для достижения минимального уровня шума.
Вентиляторы данной серии легко монтируются в стеновые проемы или другие несущие конструкции. Могут использоваться для отвода тепла или обдува различных технологических установок и оборудования.
Стандартное направление вращения лопастей вентиляторов YWF — против часовой стрелки, если смотреть на ротор — всасывание, направление вращения лопастей по часовой стрелке — нагнетание.
|
Давление max, Па
|
180
|
|
Конденсатор, pf/VDB
|
16
|
|
Масса, кг
|
15.0
|
|
Мощность, Вт
|
750
|
|
Направление потока
|
B
|
|
Напряжение, В
|
220
|
|
Производительность max, м³/ч
|
10500
|
|
Сила тока, А
|
3.50
|
|
Скорость, rpm
|
1360
|
|
Уровень шума, dB(A)
|
75
|
Способы доставки
- Деловые линии
- ПЭК
- СДЭК
- Желдорэкспедиция
- КИТ
- БАЙКАЛ СЕРВИС
- DPD и другие транспортные компании.
- Выделенный транспорт
- Самовывоз со склада производства в г. Казань (по всем товарным группам, кроме товарной группы "Элементы автоматики").
- Самовывоз со склада в г. Москва (товарная группа "Элементы автоматики", товарная группа "Электроприводы")
ВАЖНО: Каждая единица оборудования, отправляемая с помощью транспортных компаний, застрахована от возможных повреждений. Пожалуйста, внимательно осмотрите упаковку и оборудование при получении товара. Если вы заметите какие-либо внешние повреждения, такие как вмятины, сколы, нарушение геометрии и т.д., незамедлительно свяжитесь с нашими менеджерами, до приемки груза в ТК.
Способы оплаты
- Оплата через расчетный счет (р/с) для юридических лиц, ИП
- Оплата картой через терминал
- Оплата товаров на маркетплейсах Ozon, Wildberries, Яндекс.Маркет
Требуется расчёт стоимости оборудования?
Приложите спецификацию, и мы вышлем Вам коммерческое предложение
Заполните форму


