-
Подробные характеристики
-
Доставка и оплата
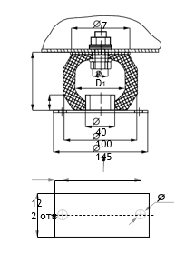
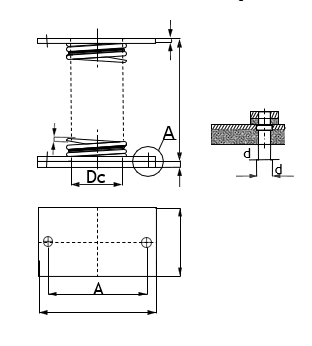
Предназначены для предотвращения вибрации от вентиляторов в системах вентиляции и кондиционирования по строительным конструкциям
Варианты изготовления: виброизоляторы резиновые ВР, виброизоляторы пружинные ДО
| Тип виброизолятора | Нагрузка, кг | Высота в свободном со- стоянии h, мм | Осадка пружины под нагрузкой, мм | Размеры, мм | Масса, кг | ||||||||||
| Рабочая (Рраб.) | Предельная (Рпр.) | Рраб | Рпр. | L | A | B | Dcp | d | d1 | d2 | |||||
| ДО 38 | 122 | 152 | 72 | 27 | 33,7 | 100 | 70 | 60 | 30 | 3 | 12 | 8,5 | 0,3 | ||
| ДО 39 | 219 | 273 | 92,5 | 36 | 45 | 110 | 80 | 70 | 40 | 4 | 12 | 8,5 | 0,4 | ||
| ДО 40 | 339 | 424 | 113 | 41,7 | 52 | 130 | 100 | 90 | 50 | 5 | 12 | 8,9 | 1 | ||
| ДО 41 | 540 | 674 | 129 | 43,4 | 54 | 130 | 100 | 90 | 54 | 6 | 14 | 10,5 | 1 | ||
| ДО 42 | 942 | 1177 | 170 | 57,2 | 72 | 150 | 120 | 110 | 72 | 8 | 14 | 10,5 | 1,8 | ||
| ДО 43 | 1648 | 2060 | 192 | 56 | 70 | 160 | 130 | 120 | 80 | 10 | 14 | 10,5 | 2,4 | ||
| ДО 44 | 2384 | 2979 | 226 | 66,5 | 83 | 180 | 150 | 140 | 96 | 12 | 14 | 10,5 | 3,65 | ||
| ДО 45 | 3728 | 4660 | 281 | 84,5 | 106 | 220 | 180 | 170 | 120 | 15 | 16 | 12,5 | 6,45 | ||
| Обозначение | Нагрузка, кг | Высота в свободном состоянии | Осадка под нагрузкой, мм | Масса, кг | ||||||
| Рабочая (Рраб.) | Предельная (Рпр.) | Рраб. | Рпр. | |||||||
| ВР201 | 250 | 400 | 80 | 8 | 12 | 0,28 | ||||
| ВР202 | 500 | 800 | 0,32 | |||||||
| ВР203 | 1000 | 1600 | 0,35 | |||||||
Способы доставки
- Деловые линии
- ПЭК
- СДЭК
- Желдорэкспедиция
- КИТ
- БАЙКАЛ СЕРВИС
- DPD и другие транспортные компании.
- Выделенный транспорт
- Самовывоз со склада производства в г. Казань (по всем товарным группам, кроме товарной группы "Элементы автоматики").
- Самовывоз со склада в г. Москва (товарная группа "Элементы автоматики", товарная группа "Электроприводы")
ВАЖНО: Каждая единица оборудования, отправляемая с помощью транспортных компаний, застрахована от возможных повреждений. Пожалуйста, внимательно осмотрите упаковку и оборудование при получении товара. Если вы заметите какие-либо внешние повреждения, такие как вмятины, сколы, нарушение геометрии и т.д., незамедлительно свяжитесь с нашими менеджерами, до приемки груза в ТК.
Способы оплаты
- Оплата через расчетный счет (р/с) для юридических лиц, ИП
- Оплата картой через терминал
- Оплата товаров на маркетплейсах Ozon, Wildberries, Яндекс.Маркет
Требуется расчёт стоимости оборудования?
Приложите спецификацию, и мы вышлем Вам коммерческое предложение
Заполните форму


